米兰电竞

行业知识

电动机控制线路故障查找方法

2023-02-06 09:53:19 米兰电竞-最专业的电子竞技门户

电动机控制线路故障查找方法

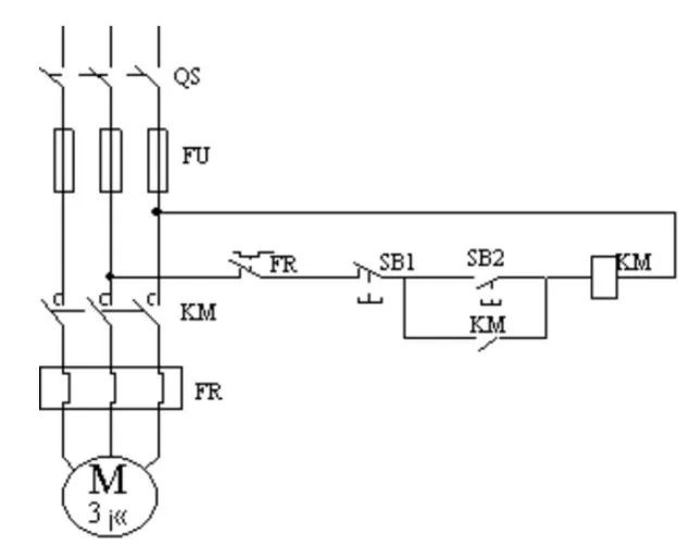
电动机控制电路图

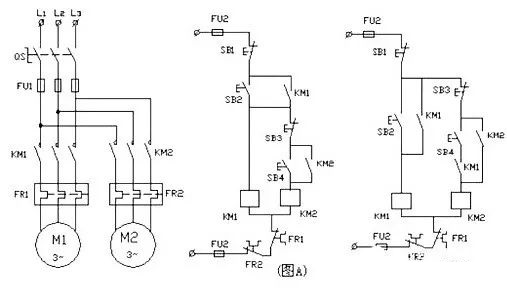
1、顺序控制电路

图片关键词

2、单向运行控制电路

图片关键词

3、电动机启停控制电路

图片关键词

电动机是我们日常维护工作中的一大部分,其故障发生率也比较大,电动机控制线路的故降,可分为自然故障和人为故障两类。它们产生的原因如下:

图片关键词

(1)自然故障。这是由于电动机在运行中过载、振动、金居屑和油垢等物的侵入,导致电气绝缘性能下降、触点熔焊或接触不良、接线点不紧固、电动机散热条件恶化、接地或短路等而引起的故障。

(2)人为故障。这是由于排除电气故障时,未能查明故障的真正原因,在对控制电路工作原理尚不十分清楚的情况下,错误地改动线路,或在装配控制线路时布线有差错,或检修中操作不当,更换元件规格不附等原因而造成的故障。


电动机控制线路的人为故障可通过严格执行操作规程,提高技术水平等措施加以避免。这里着重讨论控制线路自然故障的检查和分析方法。


电动机控制线路自然故障的检查和分析方法主要有调查研究法、试验法、逻辑分析法和测量法几种。在一般情况下,调查研究法能发现故障现象试验法不仅能发现故障现象,而且还能找出故障部位或故障回路;逻辑分析法是查找故障时缩小查找范围的有效方法;测量法是找出故障点的基本方法。


检查和分析电机控制线路的自然故障,一般不是仅用1种方法就能找出故障点的,往往需要同时使用几种方法才能迅速找出故障点。现将上述几种方法的运用要点介绍如下:


(1)调查研究法。主要是向操作人员询问电动机的工作情况,查看有无由于故障引起的明显症状,倾听各电气元件运行时有无异常声响,触摸电气发热元件和线路导线,判断其温度是否正常。为了确保人身和设备安全,在倾听电动机运行声音是否正常而需要通电时应以不损坏电动机和扩大故障范围为前提。在触摸靠近传动装置的电气元件,线路导线和容易发生触点事故的其它部位之前应切断电源。


(2)试验法。是指在不损伤电动机和机械设备的前提下,通电进行试验。通电试验一般可先点动试验各控制环节的动作程序,若发现某一电器的动作不符合要求,则表明故障就在与此电器有关的电路中。此时进一步检查该故障电路,就可将故障点找出。


进行通电试验时,首先暂时切除部分电路(如主电路),然后检查各控制环节的动作是否正常。但此时必须注意,不得用外力来使接触器或继电器动作,以免引起事故。


(3)逻辑分析法。逻辑分析法是根据电气控制线路的工作原理、控制环节的动作程序以及它们之间的联系,结合故障现象进行具体的分析,以缩小检查范围,较为准确判断出故障部位。


逻辑分析法尤其适用于分析判断复杂线路的故障。因为复杂线路往往有上百个元件和上千条线路,如果逐一进行检查,不仅要耗费大量时间,而且容易造成遗漏,甚至还会漏查故降点。采用逻辑分析法进行检查,根据原理图对故障现象进行分析,划出可疑的范围借鉴试验法对与故障回路有关的控制环节进行逐一检查,就可排除公共支路部分的故障,使看来似乎复杂的问题变得条理清楚,这样就可加强维修的针对性,达到准确、迅速排除故障的目的。


(4)测量法。测量法是利用校验灯、试电笔、万用表、蜂鸣器、示波器等对线路进行带电或断电测量,是找出故障点的有效方法利用万用表欧姆档和蜂鸣器检测电器元件与线路有无断路或短路故障时,应切断电源。同时,要注意并联支路或其它回路对被测线路是否产生影响,以免误判。在实行可控整流供电的电动机调速控制线路中,利用示波器来观察触发电路的脉冲波形和可控整形的输出波形就可很快查出线路的故障点。

在实际检修过程中每次排除故障后,应及时总结经验,写出书面检修记录,以供今后维修时参考。同时,通过对历次故障的分析,采取有效的措施,彻底排除故障,以免类似故障再次发生。



米兰电竞
产品
新闻
联系