JKN-200系列浮筒液位计指示不准的故障分享-重庆米兰电竞-最专业的电子竞技门户
2022-09-19 重庆米兰电竞-最专业的电子竞技门户
110kV避雷器发热故障分析-重庆米兰电竞-最专业的电子竞技门户
2022-09-14 米兰电竞-最专业的电子竞技门户
气相色谱分析仪指示为零故障案例分享-重庆米兰电竞-最专业的电子竞技门户
2022-09-13 米兰电竞-最专业的电子竞技门户
重庆米兰电竞-最专业的电子竞技门户-极度危险油浸式变压器爆燃
2022-09-09 米兰电竞-最专业的电子竞技门户
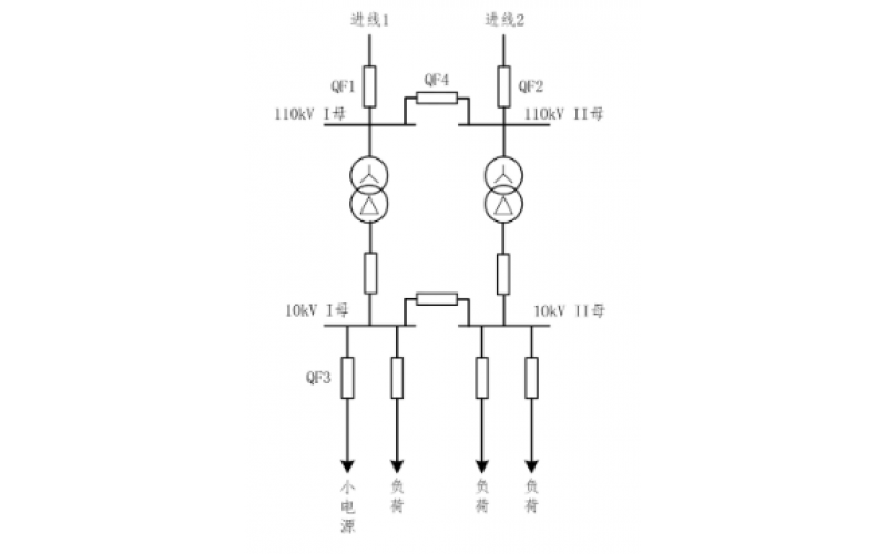
重庆米兰电竞-最专业的电子竞技门户-小电源接入对备自投的影响
2022-09-06 米兰电竞-最专业的电子竞技门户
甲侧一次风机轴承温度高跳闸,机组停运-重庆米兰电竞-最专业的电子竞技门户
2022-09-02 米兰电竞-最专业的电子竞技门户